Силовые трансформаторы в защитном кожухе.
ТС, ТСЗ - КПМ
23 августа, 2012
СУХИЕ ТРАНСФОРМАТОРЫ КПМ
ООО «КПМ» предлагает трансформаторы для различных областей применения:
Силовые распределительные трансформаторы общего назначения;
Трансформаторы для собственных нужд электростанций и других объектов;
Преобразовательные трансформаторы для питания электропривода постоянного тока в металлургической, буровой, нефтегазодобывающей и других отраслях промышленности;
Трансформаторы...Трансформаторы с воздушно-барьерной изоляцией - Уралэлектротяжмаш
12 июня, 2012
Трансформатор силовой ТСЗП-2500/20 ВМ У3
Распределительные и преобразовательные трансформаторы сухие с воздушно-барьерной изоляцией, производства ЗАО «Энергомаш (Екатеринбург) - Уралэлектротяжмаш».
Область применения:
- распределительные, разделительные, согласующие подстанции, гидро-, турбогенераторы, преобразователи частоты, наземный электротранспорт, метрополитен, железнодорожный...ТСЛЗ - Трансформер
20 мая, 2012
Данный тип трансформаторов в защитном кожухе разработан для использования на встроенных подстанциях, для него характерны уменьшенные габариты, низкий уровень шума и высокая устойчивость к сейсмическим воздействиям. Трансформаторы ТСЛЗ рассчитаны на уровень мощности 25-25000 кВА, класс напряжения – 6, 10, или 20 кВ.
Производитель – завод «Трансформер», г. Подольск.
Технические характеристики...ТС, ТСЗ - СВЭЛ
20 марта, 2012
«СВЭЛ - РосЭнергоТранс» предлагает сухие трансформаторы с литой изоляцией ТС, ТСЗ для различных областей применения:
Силовые распределительные трансформаторы общего назначения;
Трансформаторы для собственных нужд электростанций и других объектов;
Преобразовательные трансформаторы для питания электропривода постоянного тока в металлургической, буровой, нефтегазодобывающей и...ТСЛ (ТСЛЗ) - Электрощит - ТМ Самара
17 февраля, 2012
Сухой распределительный трансформатор ТСЛ (ТСЛЗ - в защитном кожухе), производства ЗАО "Группа компаний "Электрощит"-ТМ Самара", – понижающий трансформатор с мощностью в трёх фазах от 250 до 2500 кВА включительно, класса напряжения изоляции 6 и 10 кВ, с раздельными обмотками высокого и низкого напряжения, с напряжением распределительной сети по низкой стороне до 1 кВ,...ТС-СЭЩ и ТСЗ-СЭЩ
9 февраля, 2012
ТС-СЭЩ и ТСЗ-СЭЩ - сухие распределительные трансформаторы, производства ЗАО "Группа компаний "Электрощит"-ТМ Самара", с номинальной мощностью от 250 до 1600 кВА, класса напряжения изоляции 10 кВ, с раздельными обмотками высокого и низкого напряжения, с напряжением распределительной сети по низкой стороне до 1 кВ, питающей непосредственных потребителей электроэнергии общего...ТСЛ, ТСЛЗ - Кентауский трансформаторный завод
7 февраля, 2012
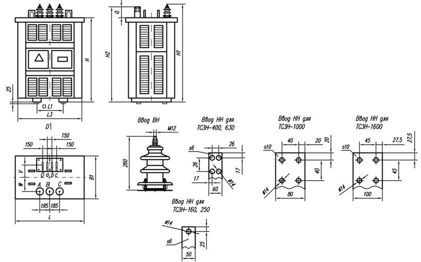
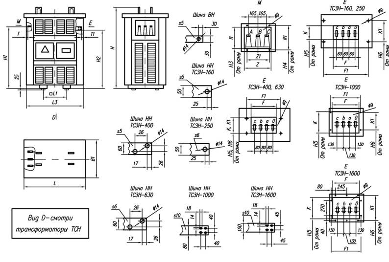
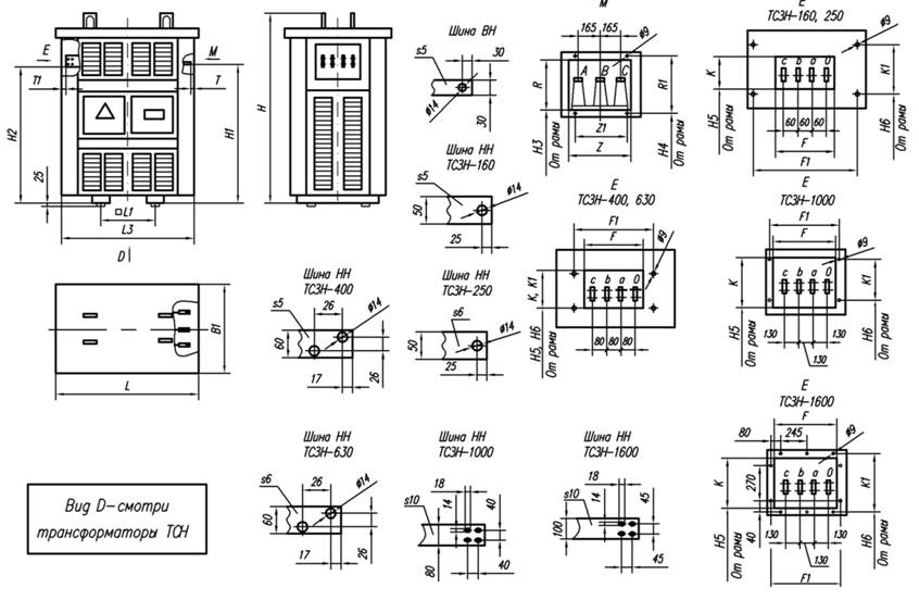
Трехфазные сухие трансформаторы с литой изоляцией типа ТСЛ (без кожуха) и ТСЛЗ (с кожухом) мощностью 400-2500 кВА и класса напряжения 10 кВ, производства ОАО «Кентауский трансформаторный завод», предназначены для преобразования электрической энергии в электросетях трехфазного переменного тока частотой 50 Гц. Устанавливаются в промышленных помещениях и общественных зданиях к которым предъявляют...ТСН, ТСНЗ 25-630 - Кентауский трансформаторный завод
7 февраля, 2012
Сухие трансформаторы ТСН, ТСНЗ 25-630/10(6) УЗ (З - в защитной оболочке), производства ОАО «Кентауский трансформаторный завод», с воздушно-барьерной изоляцией из арамидной бумаги типа «НОМЕКС» на класс изоляции «Н».
«Номекс» - это синтетический ароматический полиамид, обеспечивающий высокий уровень электрической, химической и механической защиты. Он способствует увеличению срока...ТС, ТСЗ - ЧЗСО
23 января, 2012
Предлагаемые Вашему вниманию сухие силовые трансформаторы отвечают самым высоким требованиям, предъявляемым к качеству подобной продукции, а также эксплуатационным, транспортным и климатическим стандартам и спецификациям.
Высокие потребительские свойства продукции ОАО "Чебоксарский Завод Силового Оборудования «ЭЛЕКТРОН» обеспечиваются благодаря использованию в производстве целого ряда ...ТЛСЗ - СЗТТ
21 января, 2012
Трансформаторы поставляемые ОАО Свердловский завод трансформаторов тока в кожухе, маркируются как ТЛСЗ, где буква «З» указывает на защищенность трансформатора. Кожух представляет собой металлический короб, защищающий трансформатор от попадания сторонних предметов.
Технические условия для ТЛСЗ:
- класс напряжения 10-ти, 6 –ти кВ;
- мощность 10-2500 кВА;
- климатическое исполнение...ТС и ТСЗ - НВА
16 января, 2012
Силовые трансформаторы сухие ТС и ТСЗ (в кожухе), которые выпускает ООО «Завод НВА» на номинальные напряжения по стороне ВН 6 и 10 кВ, предназначены для работы в электросетях переменного тока частотой 50 Гц. В этих трансформаторах с помощью устройства регулирования при снятом напряжении (ПБВ) предусмотрено регулирование напряжения до + 5%, 2 ступенями по 2,5%. Заливка обмоток эпоксидным компаундом...ТСЗ - УЗТТ
15 января, 2012
Трансформаторы ТС3 – силовые сухие трёхфазные понижающие, производства ТД Уральский Завод Трансформаторных Технологий (УЗТТ), устанавливаются в помещениях промышленного назначения (во встроенных ТП напряжением до 10 кВ включительно и мощностью 16 – 2500 кВА, в КТП: БКТП, 2КТП, УЗТТ) с электросетью переменного тока - 50 Гц, во взрывозащищённых, пожаробезопасных, экологически чистых помещениях,...ТСЗНГ - Укрэлектроаппарат
15 января, 2012
Трансформаторы герметичные сухие в герметичном баке внешнего исполнения У1 серии ТСЗНГ , выпускаемые ПАО Укрэлектроаппарат, с обмотками, изготовленными из проводов с изоляцией «NOMEX» класса нагревостойкости Н (180° С), двухобмоточные, общего назначения мощностью от 10 до 100кВА напряжением до 10кВ.
Используются во многих отраслях народного хозяйства: предназначены для преобразования электрической...ТСГЛО, ТСЗГЛО - Укрэлектроаппарат
15 января, 2012
Силовые сухие серии ТСГЛО, ТСЗГЛО в кожухе с принудительным охлаждением (автоматическое включение вентиляторов для повышения номинальной мощности трансформатора до 40%) , выпускаемые ПАО Укрэлектроаппарат, с обмотками с литой изоляцией типа «Геофоль» - силовые понижающие трехфазные двухобмоточные общего назначения мощностью от 400 до 2500 кВА напряжением до 10 кВ. Соответствуют...ТС3ГЛ - Укрэлектроаппарат
15 января, 2012
Трансформаторы силовые сухие серии ТС3ГЛ в кожухе, выпускаемые ПАО Укрэлектроаппарат, с обмотками с литой изоляцией типа «Геофоль» - силовые понижающие трехфазные двухобмоточные общего назначения мощностью от 100 до 2500кВА напряжением до 10кВ. Соответствуют стандартам МЭК- 76, ГОСТ 30297
Используются во многих отраслях народного хозяйства, предназначены для преобразования электрической...ТСНО, ТСЗНО - Укрэлектроаппарат
15 января, 2012
Трансформаторы силовые сухие серии ТСНО, ТСЗНО в кожухе, выпускаемые ПАО Укрэлектроаппарат, с принудительным охлаждением (автоматическое включение вентиляторов для повышения номинальной мощности трансформатора до 40%) с обмотками, изготовленными из проводов с изоляцией «NOMEX» класса нагревостойкости Н (180° С), двухобмоточные, общего назначения мощностью от 400 до 2500 кВА напряжением до...ТСН, ТСЗН - Укрэлектроаппарат
15 января, 2012
Трансформаторы силовые сухие серии ТСН, ТСЗН, выпускаемые ПАО Укрэлектроаппарат, с обмотками, изготовленными из проводов с изоляцией «NOMEX» класса нагревостойкости Н (180°С), двухобмоточные, общего назначения мощностью от 25 до 1600кВА напряжением до 10кВ. Соответствуют стандартам МЭК-76, ГОСТ 30297.
Используются во многих отраслях народного хозяйства, предназначены для преобразования...ТСЗ и ТС(З)Н - ЭТК БирЗСТ
28 октября, 2011
Трансформаторы в сухом исполнении класса напряжения 6,10 кВ типа ТСЗ и ТС(З)Н трехфазные в сухом исполнении с естественным воздушным охлаждением с изоляцией типа “NOMEX”, класса нагревостойкости “Н” (180°С). Трансформаторы, производства ОАО "Электротехническая компания "Биробиджанский завод силовых трансформаторов", предназначены для преобразования...SG(B)10 10 кВ Zhejiang Leren
6 августа, 2011
SG(B)10 на напряжение 10 кВ серия сухих силовых трансформаторов, с изоляцией H-класса, который выпускает китайская компания Zhejiang Leren Electric Power Transformer.
Технические данные SG(B)10 10 кВ сухих силовых трансформаторов
номинальная мощность (кВА)
номинальные напряжения (кВ)
Группа соединения обмоток
потери
ток холостого хода
напряжение короткого замыкания
класс изоляции
вес
не-
нагру-
жен-
ный
нагрузка
80
...SC(B)10 10 кВ Zhejiang Leren
4 августа, 2011
SC(B)10 10 кВ серия сухих силовых трансформаторов , который производит компания Zhejiang Leren Electric Power Transformer (Китай).
Технические данные SC(B)10 10 кВ
номинальная мощность (кВА)
Напряжение ВН и НН (кВ)
группа соединения обмоток
Потери кВ
ток холостого хода (%)
напряжение короткого замыкания (%)
уровень изоляции
вес (Кг)
без нагруз-ки
нагрузка...SC(B)9 10 кВ Zhejiang Leren
4 августа, 2011
SC(B)9 10 кВ серия сухих силовых трансформаторов , который производит компания Zhejiang Leren Electric Power Transformer (Китай).
Технические данные SC(B)9 10 кВ
номинальная мощность (кВА)
Напряжение ВН и НН (кВ)
группа соединения обмоток
потери
ток холостого хода (%)
напряжение короткого замыкания (%)
уровень изоляции
вес (Кг)
без нагруз-ки
нагрузка...Сухие трансформаторы CHINT
24 июня, 2011
Сухой трансформатор в основном состоит из ярма и обмотки, которые не погружены в изолирующую жидкость. Сухие трансформаторы CHINT соответствуют стандартам ЕС и Китайским национальным стандартам.
При эксплуатации сухих трансформаторов отсутствую утечки трансформаторного масла и газа, они безопасностны, экологичны, а имеют низкий уровень шумов.
Сфера применения
Сухие трансформаторы, в основном,...S9-30/10 - S9-1600/10 CHINT
21 июня, 2011
S9-30/10 - S9-1600/10 - трехфазные масляные распределительные трансформаторы с регулированием напряжения без возбуждения (ПБВ) , производства китайской корпорации CHINT.
Условия эксплуатации
место установки: наружное;
температура окружающей среды: -25°С ~ +40°С;
высота над уровнем моря: не выше 1000 м;
относительная влажность: 90% (+25°С);
установка: места с отсутствием коррозионных...ТСЗ - ЧТЗ
19 мая, 2011
Трансформаторы типа ТСЗ-63-2500/6(10)-УЗН сухие распределительные трехфазные негорючие, класс нагревостойкости - «Н», двухобмоточные с естественным воздушным охлаждением при защищенном исполнении с переключением ответвлений без возбуждения (ПБВ). Изготавливается для стран с умеренным климатом с перепадом температур от минус 45° до плюс 40°С.
Трансформаторы имеют плоскошитованую магнитную...









































































































