Трансформаторы силовые, которые производит ОАО Свердловский завод трансформаторов тока (ОАО «СЗТТ»). Завод имеет лицензию на изготовление трансформаторов для АЭС.
Адрес: 620043, Россия. г.Екатеринбург, ул.Черкасская, 25
Телефакс (343) 212-52-55, 232-64-00
Приемная (343) 234-31-04
Электронная почта cztt@cztt.ru
Сайт: cztt.ru
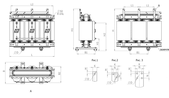
Сухие трансформаторы с литой изоляцией
7 марта, 2012
Требования предъявляемые к силовым распределительным трансформаторам — основным элементам электрических подстанций — предъявляются жесткие, как по надежности, по техническим и эксплуатационным характеристикам, так и по экологической безопасности. Что касается сухих распределительных трансформаторов в классе напряжения 6 и 10 кВ, то здесь нередко встречается оборудование, изготовленное по устаревшим...ОЛ - СЗТТ
21 января, 2012
Трансформаторы силовые ОЛ, производства ОАО Свердловский завод трансформаторов тока (СЗТТ), предназначены для обеспечения питания цепей автоблокировки от воздушных линий СЦБ и продольного электроснабжения железных дорог.
Трансформаторы изготавливаются в климатическом исполнении «УХЛ» или «Т» категории размещения 1 по ГОСТ 15150. Длина пути утечки III по ГОСТ 9920-89.
Допускается...ОЛС - СЗТТ
21 января, 2012
Трансформаторы ОЛС, производства ОАО Свердловский завод трансформаторов тока (СЗТТ), предназначены для обеспечения питания цепей собственных нужд пунктов секционирования и автоматического включения резерва (АВР) электрических сетей 6, 10 кВ частоты 50 или 60 Гц.
Трансформаторы изготавливаются в климатическом исполнении «У» или «Т» категории размещения 2 по ГОСТ 15150.
Рабочее положение...ТЛС - СЗТТ
21 января, 2012
Трансформаторы серии ТЛС, поставляемые ОАО Свердловский завод трансформаторов тока, представляют собой силовые сухие устройства, отличительной особенностью которых является литая изоляция. Они производятся строго по ТУ, то есть техническим условиям характеризующимся следующими параметрами:
- класс напряжения 10-ти 6 –ти кВ;
- мощность 10-2500 кВА;
- климатическое исполнение «УХЛ»;
...ТЛСЗ - СЗТТ
21 января, 2012
Трансформаторы поставляемые ОАО Свердловский завод трансформаторов тока в кожухе, маркируются как ТЛСЗ, где буква «З» указывает на защищенность трансформатора. Кожух представляет собой металлический короб, защищающий трансформатор от попадания сторонних предметов.
Технические условия для ТЛСЗ:
- класс напряжения 10-ти, 6 –ти кВ;
- мощность 10-2500 кВА;
- климатическое исполнение...














