Силовые трансформаторы с литой изоляцией.
Выбор изоляции и сухие трансформаторы
21 февраля, 2016
Выбор изоляции и технологии
Выбор охлаждающей способности изоляции силовых трансформаторов связан с аспектами экономичности и безопасности. Трансформаторы сухого типа заполнения охлаждаются окружающим воздухом....Литые системы изоляции обмотки
20 декабря, 2012
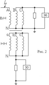
В трансформаторах сухого типа обмотки изолируются различными способами. Основным методом является нагрев проводника обмоток, после чего, пока они еще горячие, погружение их в лак при определенной температуре. Затем...Трансформаторы распределительные, с литой изоляцией - Уралэлектротяжмаш
12 июня, 2012
Трансформаторы распределительные, с литой изоляцией, производства ЗАО «Энергомаш (Екатеринбург) - Уралэлектротяжмаш», предназначены для внутренней установки на распределительных подстанциях. Могут эксплуатироваться...Настоящее и будущее силовых трансформаторов
7 июня, 2012
Новинки отрасли.
Технология изготовления силовых трансформаторов не стоит на месте – идет постоянный поиск новых решений, направленных на уменьшения себестоимости оборудования и потерь преобразования электроэнергии....ТСЛЗ - Трансформер
20 мая, 2012
Данный тип трансформаторов в защитном кожухе разработан для использования на встроенных подстанциях, для него характерны уменьшенные габариты, низкий уровень шума и высокая устойчивость к сейсмическим воздействиям....ТСЛ - Трансформер
20 мая, 2012
Общая информация.
Данный тип трансформаторов разработан для использования на встроенных подстанциях, для него характерны уменьшенные габариты, низкий уровень шума и высокая устойчивость к сейсмическим воздействиям....ТС, ТСЗ - СВЭЛ
20 марта, 2012
«СВЭЛ - РосЭнергоТранс» предлагает сухие трансформаторы с литой изоляцией ТС, ТСЗ для различных областей применения:
Силовые распределительные трансформаторы общего назначения;
Трансформаторы для собственных...Сухие трансформаторы с литой изоляцией
7 марта, 2012
Требования предъявляемые к силовым распределительным трансформаторам — основным элементам электрических подстанций — предъявляются жесткие, как по надежности, по техническим и эксплуатационным характеристикам,...ТСЛ, ТСЛЗ - ЭЛЕКТРОЩИТ
19 февраля, 2012
Трансформаторы ТСЛ (трансформатор сухого типа с литой изоляцией), производства ОАО "ЭЛЕКТРОЩИТ", применяются в сетях переменного электрического тока для преобразования электроэнергии или для обеспечения питания...ТСЛ, ТСЛЗ - Кентауский трансформаторный завод
7 февраля, 2012
Трехфазные сухие трансформаторы с литой изоляцией типа ТСЛ (без кожуха) и ТСЛЗ (с кожухом) мощностью 400-2500 кВА и класса напряжения 10 кВ, производства ОАО «Кентауский трансформаторный завод», предназначены для преобразования...Трансформатор с литой изоляцией или масляный?
22 января, 2012
На сегодняшний день применение литой изоляции при производстве силовых трансформаторов ведет удорожанию стоимости конечного продукта по сравнению с маслонаполненными. Расхождение в ценовом диапазоне обусловлено...ТСГЛО, ТСЗГЛО - Укрэлектроаппарат
15 января, 2012
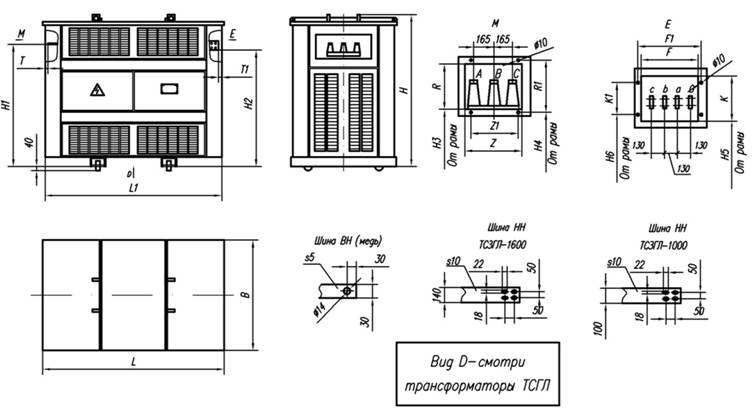
Силовые сухие серии ТСГЛО, ТСЗГЛО в кожухе с принудительным охлаждением (автоматическое включение вентиляторов для повышения номинальной мощности трансформатора до 40%) , выпускаемые ПАО Укрэлектроаппарат, с обмотками...ТС3ГЛ - Укрэлектроаппарат
15 января, 2012
Трансформаторы силовые сухие серии ТС3ГЛ в кожухе, выпускаемые ПАО Укрэлектроаппарат, с обмотками с литой изоляцией типа «Геофоль» - силовые понижающие трехфазные двухобмоточные общего назначения мощностью от 100...ТСГЛ - Укрэлектроаппарат
15 января, 2012
Трансформаторы силовые сухие серии ТСГЛ, выпускаемые ПАО Укрэлектроаппарат, с обмотками с литой изоляцией типа «Геофоль» - силовые понижающие трехфазные двухобмоточные общего назначения мощностью от 630 до 2500кВА...Сухие трансформаторы по вакуумной технологии
4 января, 2012
Силовой трансформатор является сердцем любой электростанции или подстанции. Без его существования невозможно представить процесс трансформации и распределения электроэнергии потребителям.
Почти до середины прошлого...Распределительные сухие трансформаторы АББ
1 октября, 2011
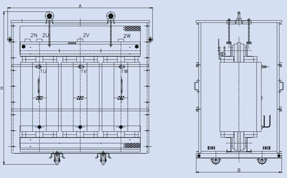
Сухие трансформаторы для распределительных сетей производства компании АББ с обмотками, заполненными под вакуумом эпоксидным компаундом мощностью от 250кВА до 30мВА.
АББ - мировой лидер в сфере энергетики и технологий...Трансформаторы сухие АББ с литыми обмотками
1 октября, 2011
Технические данные сухих трансформаторов IP 00, IP 21 до 33 (повышенный уровень степени защиты по требованию заказчика) с обмотками, заполненными под вакуумом эпоксидным компаундом выпускаемых АББ.
Габаритный чертеж -...SC(B)9 /35 Dachao Electric
6 июня, 2011
SC(B)9-30~2500/35 литой сухой трансформатор, выпускаемый китайской компанией Zhejiang Dachao Electric, предназначен для работы в электроустановках с номинальным напряжением 35 кВ. Гидро-, пыленепроницаем, не нуждается в обслуживании.
...Литой трансформатор Dachao Electric
6 июня, 2011
Литой сухой силовой трансформатор, выпускаемый китайской компанией Zhejiang Dachao Electric. CESI сертификат, высокая перегрузочная способность.
Трансформатор отвечает стандартам:
* МЭК 726-11: сухие трансформаторы питания
* GB 1094:...RITZ - сухие трансформаторы
1 июня, 2011
Сухой трансформатор с литой изоляцией.
Завод RITZ производит сухие трансформаторы с литой изоляцией и реакторы специального назначения. Индивидуальный подход к изготовлению каждой единицы оборудования позволяет реализовать...Трансформаторы с литой изоляцией LS
21 февраля, 2011
От 50 кВА До 15000 кВА первичной обмотки от 2.3 кВА
До 36 кВА вторичной обмотки от 120 кВА До 24 кВА
В последние десятилетия был достигнут большой прогресс в развитии и усовершенствовании трансформаторов для распределительных...Как выбрать сухой трансформатор?
30 августа, 2010
Что Вам необходимо знать, при выборе трансформатора для ответственной электрической распределительной системы.
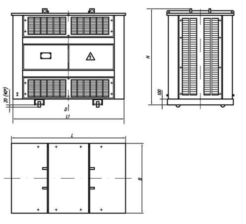
Фотография 1. Это 10 000 / 380 В, заключенный в капсулу трансформатор электродвижущей силы вакуума с 3 фазами...


















































































































