Герметичные силовые трансформаторы.
ТМЗ - Трансформатор сервис
24 января, 2013
Трехфазные герметичные понижающие масляные трансформаторы ТМЗ выпускаемые «Трансформатор сервис», имеющие мощность 630 кВА или 1000 кВА, используются в трансформаторных подстанциях и пригодны как для внутренней, так и для наружной установки в регионах с умеренным и холодным температурными режимами. Устройства не могут использоваться во взрывоопасной среде или в условиях вибрации, сильной запыленности,...ТМГ - Трансформатор сервис
24 января, 2013
Силовые масляные двухобмоточные трансформаторы ТМГ «Трансформатор сервис», имеющие мощность от 25 кВА до 1000кВА, предназначены для использования в умеренных температурных условиях и не пригодны для применения в химически активной среде или при работах, сопряженных с вибрацией или ударами. Это обусловлено конструкцией устройства, характеризующейся отсутствием расширительного бачка и газовой «подушки»...ТМГ 10/6(10) - УХЛ1 - НТЗ
15 июля, 2012
Данный стационарный двухобмоточный силовой трансформатор масляного типа, производства ООО «Невский Трансформаторный Завод», предназначен для установки в трехфазных сетях в составе КТП (комплексных трансформаторных подстанций). Он предназначен для линий с напряжением до 10 кВ и рассчитан на мощность рассеяния от 10 кВА. В конструкции трансформатора ТМГ 10/6(10) - УХЛ 1 применена плоская...ТМГ экономичные - Трансформер
20 мая, 2012
Экономичные трансформаторы ТМГ, производства ЗАО «Трансформер», с уменьшенными потерями позволяют экономить на электроэнергии до 20.000 рублей в год.
Цена трансформатора с уменьшенными потерями будет выше обычного примерно на 15-20%. Поэтому он будет давать экономию не сразу, а через 2-3 года. Но, устанавливая трансформатор на 25 лет, стоит подумать о долгосрочном вложении средств и сопоставить...ТМГ - Трансформер
20 мая, 2012
Масляные трансформаторы класса «Мегаполис», производства ЗАО «Трансформер», предназначены для установки на новых подстанциях или при реконструкции для увеличения мощности старых подстанций. Трансформаторы ТМГ отличает компактность и надежность конструкции. Из-за полной герметичности бака трансформатора, отсутствует контакт масла с внешней окружающей средой.
Возможно, стандартное исполнение,...ТМГ-ATEF
23 апреля, 2012
Трансформаторы ТМГ-ATEF герметичные, без расширителя, производства Группы Компаний АТЕФ (Азербайджан), мощностью 25-2500 кВА на напряжение до 10 кВ
Трансформаторы силовые трёхфазные двухобмоточные предназначены для преобразования электроэнергии в сетях энергосистем и различных потребителей в районах с умеренным климатом, а также с влажными и сухими тропиками.
Технические характеристики
...TM, TMГ - ЭЛЕКТРОЩИТ
19 февраля, 2012
Маслонаполненные трансформаторы ТМГ (силовой распределительный трансформатор, герметичный без расширителя) и ТМ (понижающий маслонаполненный трансформатор) ), производства ОАО "ЭЛЕКТРОЩИТ", применяются для понижения напряжения или обеспечения электропитания непосредственно потребителей, в трехфазных электрических сетях переменного тока, мощностью до 2500 кВА. Класс напряжения электрических...ТМ (ТМГ) - Электрощит - ТМ Самара
17 февраля, 2012
Силовой распределительный маслонаполненный трансформатор ТМГ (герметичный без расширителя) и ТМ, производства ЗАО "Группа компаний "Электрощит"-ТМ Самара", – понижающий трансформатор с мощностью в трёх фазах до 2500 кВА включительно, класса напряжения изоляции 6 и 10 кВ, с раздельными обмотками высокого и низкого напряжения, с напряжением распределительной сети до 1 кВ,...ТМПНГ-СЭЩ
9 февраля, 2012
ЗАО "Группа компаний "Электрощит"-ТМ Самара" выпускает силовые трансформаторы для погружных насосов двух вариантов: ТМПНГ-СЭЩ - герметичные, без расширителя и ТМПН-СЭЩ - с расширителями.
Трансформаторы масляные типов ТМПНГ-СЭЩ и ТМПН-СЭЩ мощностью от 100 до 1000 кВА, класса напряжения 3 кВ и 6 кВ, предназначены для питания погружных установок электроцентробежных насосов...ТМПН (ТМПНГ) - 63-400/1-10 - Кентауский трансформаторный завод
4 февраля, 2012
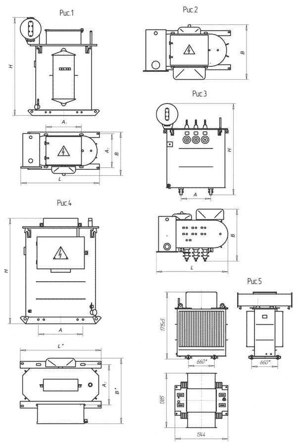
Трансформаторы трехфазные силовые типа ТМПН, герметичного исполнения ТМПНГ) с естественным масляным охлаждением, мощностью от 63 до 400 кВА с переключателем без возбуждения, предназначены для питания погружных электронасосов добычи нефти. Трансформаторы могут эксплуатироваться в условиях умеренного - У или холодного УХЛ1 климата. Трансформаторы соответствуют требованиям ГОСТ 11677 и ТУ...ТМЭ, ТМЭГ-40/6 - 250/6 - Кентауский трансформаторный завод
4 февраля, 2012
Трансформаторы трехфазные силовые типа ТМЭ, (герметичного исполнения ТМЭГ) , производства ОАО «Кентауский трансформаторный завод», общего назначения мощностью от 40 до 250 кВА с естественным масляным охлаждением, с переключателем без возбуждения, предназначены для питания электрооборудования экскаваторов.
Трансформаторы соответствуют требованиям ГОСТ 11677 и ТУ 5100 РК 0001 0033 АО-17-2005.
Условия...ТМЗ-250/10 - ТМЗ-2500/10 - Кентауский трансформаторный завод
4 февраля, 2012
Трансформатор трехфазный масляный герметичный серии ТМЗ мощностью 250-2500 кВА класса напряжения до 10 кВ, производства ОАО «Кентауский трансформаторный завод», понижающий с естественным масляным охлаждением, с ПБВ, включаемые в электрическую сеть переменного тока частотой 50 Гц, с азотной подушкой, предназначен для комплектных трансформаторных подстанций, изготавливаемых для нужд народного...ТМэ, ТМГэ - Алттранс
3 февраля, 2012
ТМэ, ТМГэ - энергосберегающие силовые трансформаторы класса напряжения 10(6) , производства ОАО «Алтайский трансформаторный завод» («АЛТТРАНС»), мощностью от 250 до 1000 кВА.
Потери холостого хода и короткого замыкания в данной серии трансформаторов полностью соответствуют европейским нормам в области энергоэффективности распределительных трансформаторов. При этом также улучшены шумовые...ТМГФ, ТМФ - Алттранс
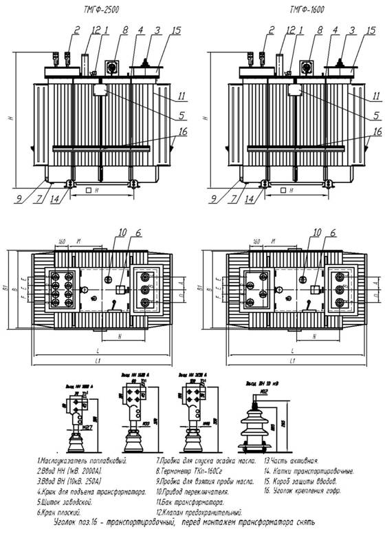
3 февраля, 2012
Масляные трансформаторы серий ТМГФ, ТМФ, производства ОАО «Алтайский трансформаторный завод» («АЛТТРАНС»), используются в электрических сетях с Uвн 6 или 10 кВ. Предназначены для использования в открытых электрических установках при умеренных климатических условиях. Их прямое назначение – это понижать высокое напряжение питающей электрической сети до определенно-установленного уровня потребления...ТМ, ТМГ - Алттранс
2 февраля, 2012
Если вам необходимо оборудование, при помощи которого можно понизить высокое напряжение питающей электросети 6 или 10 кВ, которая питает ваше электрооборудование, эксплуатируемое в погодных условиях умеренного типа до необходимого уровня потребления – вам идеально подойдет масляный трансформатор серий ТМ, ТМГ, производства ОАО «Алтайский трансформаторный завод» («АЛТТРАНС»), различных...ТМГ 25/10 - ТМГ 2500/10 - Кентауский трансформаторный завод
31 января, 2012
Основное назначение трансформаторов типа ТМГ – передача и распределение энергии в условиях умеренного климата. ТМГ 25/10 (6) - ТМГ 2500/10 (6) - это масляные трехфазные трансформаторы с гофробаком, производства ОАО «Кентауский трансформаторный завод», характеризующиеся наличием переключателя без возбуждения, естественным охлаждением маслом подключаются к источникам переменного тока...ТМГ с азотной защитой - ЧЗСО
24 января, 2012
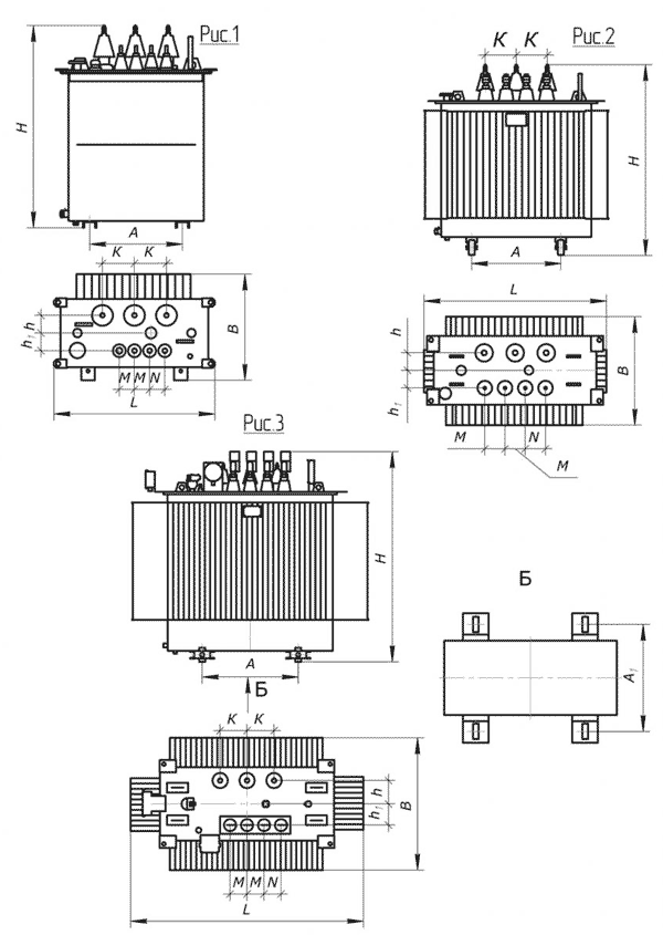
ТМГ - силовые трансформаторы герметичные в гофробаке с азотной защитой трансформаторного масла, производства ОАО "Чебоксарский Завод Силового Оборудования «ЭЛЕКТРОН», на номинальные мощности 25, 40, 63, 100, 160, 250, 400, 630 кВА и напряжение 10 (6) кВ. Трехфазные трансформаторы в герметичном исполнении и с естественным масляным охлаждением, используются для преобразования ...ТМГ - ЧЗСО
24 января, 2012
ТМГ - силовые трансформаторы герметичные в гофробаке, производства ОАО "Чебоксарский Завод Силового Оборудования «ЭЛЕКТРОН». Для передачи электроэнергии на расстояния по воздушным или кабельным линиям как правило, используется трехфазное напряжение 6 – 750 кВ. Такой номинал не подходит для нормального ее использования потребителями и поэтому устанавливаются понижающие трансформаторы. ...ТМГФ, ТМГ - УЗТТ
18 января, 2012
Масляные силовые трансформаторы серии ТМГФ и ТМГ производства торгового дома «УЗТТ» предназначены для работ в электрических сетях рабочего напряжения 10 или 6 кВ в электрических установках открытого типа при У1 (умеренный климат по ГОСТ 15150 - 69) и служащие для понижения высокого напряжение распределительной питающей электрической сети до установленного уровня. На масляные трансформаторы...ТСЗНГ - Укрэлектроаппарат
15 января, 2012
Трансформаторы герметичные сухие в герметичном баке внешнего исполнения У1 серии ТСЗНГ , выпускаемые ПАО Укрэлектроаппарат, с обмотками, изготовленными из проводов с изоляцией «NOMEX» класса нагревостойкости Н (180° С), двухобмоточные, общего назначения мощностью от 10 до 100кВА напряжением до 10кВ.
Используются во многих отраслях народного хозяйства: предназначены для преобразования электрической...ТМПНГ - УЗТТ
15 января, 2012
Герметичные трансформаторы масляные трехфазные серии ТМПНГ, производства ТД Уральский Завод Трансформаторных Технологий (УЗТТ). Предназначены для преобразования электроэнергии в комплектных подстанциях для запитывания погружных электронасосов, используемых при добыче нефти. Регулирование напряжения происходит при обесточенном трансформаторе.
Трансформаторы используются при температуре от -60...ТМГСО - Укрэлектроаппарат
12 января, 2012
Трансформаторы силовые типа ТМГСО соответствуют стандартам МЭК-76, ГОСТ 11677. Силовые масляные понижающие трехфазные трехобмоточные общего назначения трансформаторы мощностью от 10 до 250 кВА напряжением до 10 кВ внутренней и наружной установки, производства ПАО Укрэлектроаппарат, предназначены для нужд народного хозяйства.
Технические характеристики
Силовые трансформаторы типа ТМГСО...ТМГФ - Укрэлектроаппарат
12 января, 2012
Трансформаторы силовые типа ТМГФ, производства ПАО Укрэлектроаппарат, соответствуют стандартам МЭК - 76, ГОСТ 11677
Силовые масляные понижающие трехфазные двухобмоточные герметичные с защитой масла трансформаторы мощностью от 160 до 2500 кВА напряжением до 10 кВ, производства ПАО Укрэлектроаппарат, предназначены для трансформаторных подстанций внутренней и наружной установки.
Технические...ТМГ - Укрэлектроаппарат
12 января, 2012
Трансформаторы силовые типа ТМГ соответствуют стандартам МЭК - 76, ГОСТ 11677. Силовые масляные понижающие трехфазные двухобмоточные общего назначения трансформаторы мощностью от 10 до 2500 кВА напряжением до 35 кВ, производства ПАО Укрэлектроаппарат, предназначены для нужд народного хозяйства для внутренней и наружной установки.
Технические характеристики
Силовые трансформаторы...S11-M и S11-MR DESUN
26 сентября, 2011
S11 серия герметичных маслонаполненных силовых трансформаторов на номинальное напряжение 10 кВ, производства DESUN group (Гонконг). В конструкции магнитопровода использована кремнистая сталь с высокой проводимостью. Имеет большой коэффициент заполнения. Трансформатор может быть широко использован в распределительных сетях.
Rated
power
(кВA)
Напря-
жение
Группа соеди-
...













































