Генераторные трансформаторы используются для передачи мощности от электростанций в сети высокого напряжения. Это повышающие трансформаторы, обмотки НН которых подключают к генератору по схеме треугольника, а обмотки ВН – звездой в линию.
Силовые трансформаторы большой мощности
28 января, 2014
Силовой трансформатор большой мощности - это крупное, построенное на заказ оборудование, относящееся к критически значимым компонентам сети передачи электроэнергии. Из-за очень высокой стоимости таких трансформаторов, а также в связи с тем, что они создаются под конкретные спецификации заказчика, они, как правило, не относятся к взаимозаменяемым устройствам, и не закупаются в качестве...Заземление трансформаторов ветроэлектростанций
6 декабря, 2012
Почему заземления трансформаторов имеют важное значение для крупных ветроэлектростанций
Когда вы думаете о ветряных электростанциях, на ум приходят величественные башни с огромными вращающимися лопастями, охватывающими горизонт. Конструкторы тоже не застрахованы от этого импульса, так как основной упор они делают на размещение, закупку, монтаж и подключение башен, турбин и лопастей. Но многие...ОРЦ, ОДЦ, ОРЦО, ТДЦ, ТЦ - Запорожтрансформатор
17 января, 2012
Генераторные трансформаторы, производства ПАО «Запорожтрансформатор» (ЗТР), используются для передачи мощности, производимой электростанциями, в магистрали сетей высокого напряжения и являются важнейшей частью любого типа электростанции. Это повышающие трансформаторы, обмотки низкого напряжения которых подключают к генератору по схеме треугольника, а обмотки высокого напряжения – звездой к ЛЭП....АББ - силовые трансформаторы в Лодзь
30 сентября, 2011
История трансформаторной фабрики в г. Лодзь начинается в 1925 году: именно тогда компания «Elektrobudowa» изготовила первые трансформаторы. В годы Второй мировой войны ее деятельность была приостановлена, но сама фабрика не была разрушен. В 1958 году в пригороде г. Лодзь на базе старой фабрики было начато строительство здания новой крупной компании по производству трансформаторов «ELTA» После...ТДЦ-200000/110-У1 - Тольяттинский Трансформатор
24 сентября, 2011
ТДЦ-200000/110-У1- трансформатор класса 110 кВ, который выпускает компания Тольяттинский Трансформатор, предназначенный для работы на электростанциях в блоке с генератором. Эти трансформаторы с регулированием напряжения (ПБВ) на стороне ВН в диапазоне ±2 х 2,5 % и без ПБВ с системой охлаждения вида «Д», «ДЦ».
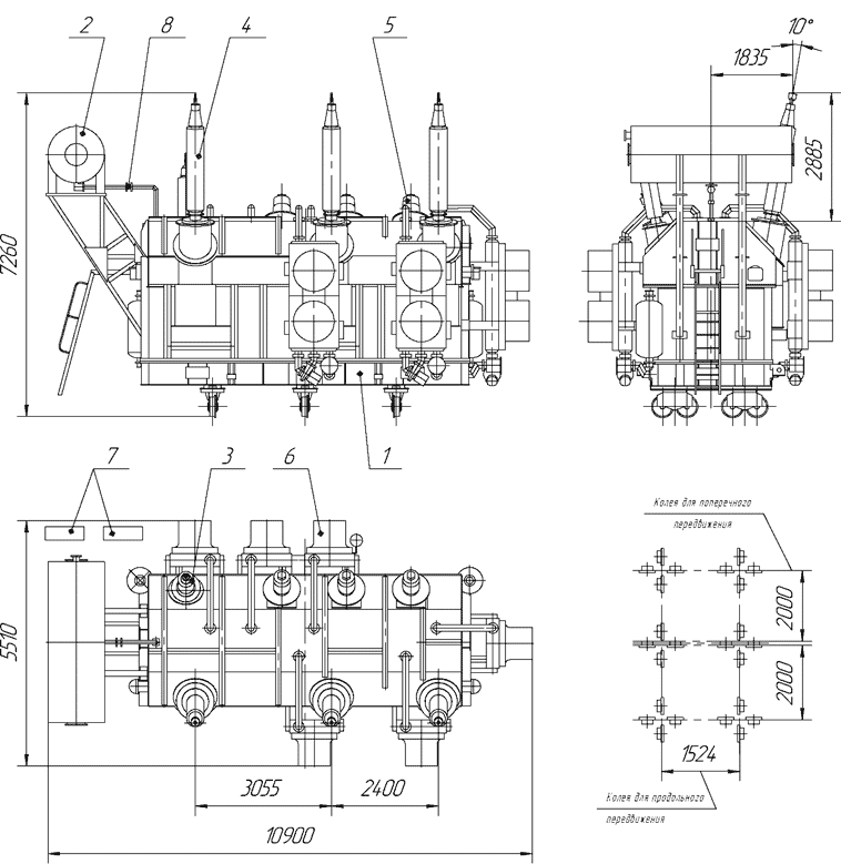
Ввод ВН
Ввод НН
Устройство охлаждающее
Фильтр адсорбционный
Шкаф
Бак трансформатора
Расширитель
Ввод...ТДЦ-125000/110-У1 - Тольяттинский Трансформатор
24 сентября, 2011
ТДЦ-125000/110-У1- трансформатор силовой класса 110 кВ, который выпускает компания Тольяттинский Трансформатор, с регулированием напряжения без возбуждения (ПБВ) на стороне ВН в диапазоне ±2 х 2,5 % с системой охлаждения вида «Д», «ДЦ» предназначены для работы в блоках электростанций.
Ввод НН
Устройство охлаждающее
Шкаф
Фильтр адсорбционный
Реле Бухгольца
Бак трансформатора
Расширитель
Ввод ...ТД-40000/110-У1 - Тольяттинский Трансформатор
24 сентября, 2011
ТД-40000/110-У1- трансформатор класса 110 кВ, который выпускает компания Тольяттинский Трансформатор, предназначенный для работы на электростанциях в блоке с генератором. Трансформатор силовой с регулированием напряжения без возбуждения (ПБВ) на стороне ВН в диапазоне ±2 х 2,5 % с системой охлаждения вида «Д», «ДЦ».
Бак трансформатора
Расширитель
Ввод "0" ВН
Ввод ВН
Ввод НН
Радиатор
Шкаф
Фильтр...ТДЦ-400000/220-У1 - Тольяттинский Трансформатор
3 июня, 2011
Трансформаторы силовые ТДЦ-400000/220-У1 (УХЛ1) без регулирования напряжения с системой охлаждения вида «ДЦ» предназначены для работы в блоках электростанций.
1. Бак трансформатора
2. Расширитель
3. Ввод 0 ВН
4. Ввод ВН
5. Ввод НН
6. Устройство охлаждающее
7. Фильтр
8. Шкаф
Тип трансформатора, обозначение нормативного документа
Номи-
нальная мощность, кВА
Номи-нальное напряжение...ТДЦ-250000/220-У1 - Тольяттинский Трансформатор
3 июня, 2011
Трансформаторы силовые ТДЦ-250000/220-У1 без регулирования напряжения с системой охлаждения вида «ДЦ» предназначены для работы в блоках электростанций.
1. Бак трансформатора
2. Расширитель
3. Ввод ВН
4. Ввод 0 ВН
5. Ввод НН
6. Охладитель
7. Шкаф
8. Реле Бухгольца
Тип трансформатора, обозначение нормативного документа
Номи-
нальная мощность, кВА
Номи-нальное напряжение...ТДЦ-200000/220-У1 - Тольяттинский Трансформатор
3 июня, 2011
Трансформатор силовой ТДЦ-200000/220-У1 (УХЛ1) с регулированием напряжения без возбуждения (ПБВ) на стороне ВН в диапазоне ±2 х 2,5 % с системой охлаждения вида «ДЦ» предназначен для работы в блоках электростанций.
1. Бак трансформатора
2. Расширитель
3. Ввод ВН
4. Ввод 0 ВН
5. Ввод НН
6. Охладитель
7. Шкаф
8. Реле Бухгольца
Тип трансформатора, обозначение нормативного документа
Номи-
...ТДЦ-125000/220 У1 - Тольяттинский Трансформатор
3 июня, 2011
Трансформатор типа ТДЦ-125000/220-У1 (УХЛ1) силовой масляный трехфазный двухобмоточный с принудительной циркуляцией воздуха и масла с регулированием напряжения без возбуждения на стороне обмотки высшего напряжения предназначен для работы в электрических сетях в блоке с генератором. С регулированием напряжения под нагрузкой (РПН) на стороне ВН в диапазоне ±12 х 1 % с системой охлаждения вида «ДЦ».
1....SGT Sunel Transformer
14 мая, 2011
Трансформатор для солнечных генераторов SGT производства Sunel Transformer (Китай), выпускается согласно техническому заданию заказчика.
Диапазон напряжений: 6кВ~35 кВ
Номинальная мощность: 30кВА~8000кВА
Группа соединения обмоток: Yyn0 или Dyn11
FSGB Sunel Transformer
14 мая, 2011
Трансформатор для ВЭС (ветроэлектростанций) FSGB производства Sunel Transformer (Китай)
Диапазон напряжений: 6кВ~35 кВ
Номинальная мощность: 30кВА~8000кВА
Группа соединения обмоток: Yyn0 или Dyn11




























