Силовые трансформаторы с номинальным напряжением на стороне ВН 35 кВ.
Масляные реакторы - Уралэлектротяжмаш
12 июня, 2012
Масляный преобразовательный трансформатор ТРДП-16000/10 в комплекте с управляемым реактором РТДП-6300/10 ЖУ1
Предприятие ЗАО «Энергомаш (Екатеринбург) - Уралэлектротяжмаш» выпускает следующие виды масляных реакторов:
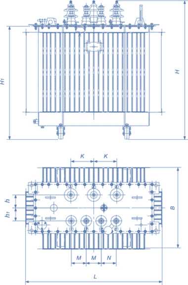
-...Масляные силовые трансформаторы - Уралэлектротяжмаш
12 июня, 2012
Масляные силовые трансформаторы общего назначения, производства ЗАО «Энергомаш (Екатеринбург) - Уралэлектротяжмаш».
Предназначение:
- в качестве линейных трансформаторов
- для обеспечения электрификация...Трансформаторы с РПН - Трансформер
22 мая, 2012
ЗАО «Трансформер» производит силовые масляные трансформаторы ТМН, ТМНС,
ТДН, ТДНС, ТРДН, ТРДНС с регулированием напряжения под нагрузкой (РПН) номинальной мощностью 1000 - 25 000 кВА и номинальным высшим напряжением...ТРДН (ТРДНС, ТДН, ТДНС, ТМН, ТМ) АТЕF
24 апреля, 2012
Силовые трансформаторы ТРДН (ТРДНС, ТДН, ТДНС, ТМН, ТМ) АТЕF общего назначения, производимые Группой Компаний АТЕФ (Азербайджан), мощностью до 40 МВА, напряжением по стороне ВН - 35 кВ. Данные трансформаторы предназначены...ТМ 20-35 кВ - Армэлектромаш
23 апреля, 2012
Общая информация и применение.
Масляные трехфазные трансформаторы ТМ (с масляным естественным охлаждением) предназначены для понижения напряжения 20 или 35 кВ и применяются в наружных и внутренних электрических установках....Силовые трансформаторы СВЭЛ 35кВ
21 марта, 2012
Масляные трансформаторы завода «СВЭЛ – силовые трансформаторы».
Класс напряжения 35 кВольт.
Типы трансформаторов.
Общего назначения – ТМ, ТД, ТМН, ТДНС, ТМНС, ТРДНС.
Регулировочная серия – ТМНЛ, ТДНЛ.
Трехфазные, переменного...ТМН-1000/35 - ТМН-6300/35 - Кентауский трансформаторный завод
2 февраля, 2012
ТМН 35 (ТМН-1000/35 - ТМН-6300/35-У1) – силовой трехфазный двухобмоточный масляный трансформатор, изготавливаемый ОАО «Кентауский трансформаторный завод» для стран с умеренным климатом. Имеет конструкцию, полностью соответствующую...ТДНС-10000/35-У1, ТДНС-16000/35-У1, ТРДНС-25000/35-У1 - Кентауский трансформаторный завод
31 января, 2012
Трехфазные двухобмоточные трансформаторы ТДНС-10000/35-У1, ТДНС-16000/35-У1 и ТРДНС-25000/35-У1, на масле с принудительным кругооборотом воздуха и естественным охлаждением на трансформаторном масле, с регулировкой напряжения под...ТМ-25/35 - ТМ-1600/35 У1 - Кентауский трансформаторный завод
31 января, 2012
Трансформатор трехфазный масляный ТМ мощностью от 25 до 1600 кВА, производства ОАО «Кентауский трансформаторный завод», с естественным масляным охлаждением, с переключателем без возбуждения, включаемые в сеть переменного...ТДТНШ и ТМШ - Запорожтрансформатор
18 января, 2012
ТДТНШ и ТМШ - шахтные трансформаторы, производства ПАО «Запорожтрансформатор» (ЗТР), предназначены для электроснабжения угольных шахт стационарной установки и рассчитаны на длительную эксплуатацию в распределительных...ЛТДН, ЛТМН, ЛТДЦТНФ - Запорожтрансформатор
18 января, 2012
Линейные регулировочные трансформаторы ЛТДН, ЛТМН, которые выпускаются на ПАО «Запорожтрансформатор», используются с целью регулирования напряжения в электрических сетях 6-35 кВ в тех случаях, когда необходимое значение...ТРДНС, ТДНС - Запорожтрансформатор
18 января, 2012
ПАО «Запорожтрансформатор» (ЗТР) изготавливает для собственных потребностей генераторные трансформаторы ТРДНС, ТДНС (для подключения к генераторам электростанций) и пуско-резервные, подключаемые к сети высокого напряжения,...ТМН, ТМ 35 кВ - Запорожтрансформатор
18 января, 2012
ТМН, ТМ - трансформаторы силовые для электрических подстанций сетей и предприятий, применяют в качестве понижающих. Напряжения номинальные 35 кВ с их помощью преобразуют до 0,4; 6,3; 10,0 кВ, что соответствует, напряжениям...ТМН - Укрэлектроаппарат
12 января, 2012
Трансформаторы силовые типа ТМН, соответствуют стандартам МЭК-76, ГОСТ 11677
Трансформаторы стационарные силовые масляные понижающие трехфазные двухобмоточные общего назначения номинальной мощностью...ТМГ - Укрэлектроаппарат
12 января, 2012
Трансформаторы силовые типа ТМГ соответствуют стандартам МЭК - 76, ГОСТ 11677. Силовые масляные понижающие трехфазные двухобмоточные общего назначения трансформаторы мощностью от 10 до 2500 кВА напряжением до 35 кВ,...ТМ - Укрэлектроаппарат
12 января, 2012
Трансформаторы силовые типа ТМ соответствуют стандартам МЭК-76, ГОСТ 11677
Силовые масляные понижающие трехфазные двухобмоточные общего назначения трансформаторы мощностью от 10 до 6300 кВА напряжением до 35 кВ, производства...ТMН 35кВ с РПН - ЭТК БирЗСТ
27 декабря, 2011
Трансформатор ТМН с полной мощностью 1000кВА, 1600кВА, 2500кВА, 4000кВА и 6300кВА и высшим напряжением 35 кВ, выпускаемые ОАО “Электротехническая компания “Биробиджанский завод силовых трансформаторов”, является уникальным...ТМН 35 кВ - ЭТК БирЗСТ
28 октября, 2011
Трансформаторы ТМН с высшим напряжением 35 кВ, трехфазные двухобмоточные с естественным масляным охлаждением с переключением без возбуждения, включаемые в сеть переменного тока частотой 50 Гц, производства ОАО "Электротехническая...ТМ-35 - ЭТК БирЗСТ
28 октября, 2011
Трансформаторы ТМ с высшим напряжением 35 кВ, трехфазные двухобмоточные с естественным масляным охлаждением с переключением без возбуждения, включаемые в сеть переменного тока частотой 50 Гц, производства...






























































