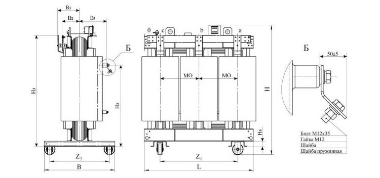
Силовые трансформаторы номинальной мощностью 1600 кВА.
ТС, ТСЗ - КПМ
23 августа, 2012
СУХИЕ ТРАНСФОРМАТОРЫ КПМ
ООО «КПМ» предлагает трансформаторы для различных областей применения:
Силовые распределительные трансформаторы общего назначения;
Трансформаторы для собственных нужд электростанций и других объектов;
Преобразовательные трансформаторы для питания электропривода постоянного тока в металлургической, буровой, нефтегазодобывающей и других отраслях промышленности;
Трансформаторы...Трансформаторы с воздушно-барьерной изоляцией - Уралэлектротяжмаш
12 июня, 2012
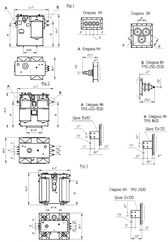
Трансформатор силовой ТСЗП-2500/20 ВМ У3
Распределительные и преобразовательные трансформаторы сухие с воздушно-барьерной изоляцией, производства ЗАО «Энергомаш (Екатеринбург) - Уралэлектротяжмаш».
Область применения:
- распределительные, разделительные, согласующие подстанции, гидро-, турбогенераторы, преобразователи частоты, наземный электротранспорт, метрополитен, железнодорожный...Сухие трансформаторы с изоляцией «Транстерм» - Уралэлектротяжмаш
12 июня, 2012
Трансформатор ТСЗ-400/10 У1
Данный тип трансформаторов с изоляцией «Транстерм», производства ЗАО «Энергомаш (Екатеринбург) - Уралэлектротяжмаш», имеет довольно широкую область применения – распределительные, разделительные и согласующие подстанции, электроприводы, преобразователи частоты. Кроме этого – наземный электротранспорт, метрополитен, тяговые подстанции железных дорог.
Возможны...Трансформаторы распределительные, с литой изоляцией - Уралэлектротяжмаш
12 июня, 2012
Трансформаторы распределительные, с литой изоляцией, производства ЗАО «Энергомаш (Екатеринбург) - Уралэлектротяжмаш», предназначены для внутренней установки на распределительных подстанциях. Могут эксплуатироваться в условиях умеренного климата при температуре от -25оС до +40оС. Климатическое исполнение – УЗ. Степень защиты устройств различна и зависит от модели – от IP00 до IP23
Трансформаторы...ТС, ТСЗ, ТСЗС, ТСП, ТСЗП, ТРСДП, ОСПЧ, ТСЗПУ - Уралэлектротяжмаш
12 июня, 2012
Сухие трансформаторы, производства ЗАО «Энергомаш (Екатеринбург) - Уралэлектротяжмаш».
Распределительные трансформаторы с литой изоляцией.
Мощность трансформаторов – от 25 до 2500 кВА, класс напряжения – 6 – 10 киловольт.
Опыт эксплуатации – более 5 лет, температурный режим – от -25оС до +40оС.
Распределительные и преобразовательные трансформаторы с изоляцией «Транстерм».
Мощность...Масляные преобразовательные трансформаторы - Уралэлектротяжмаш
12 июня, 2012
Трансформатор ТАДЦНПФ-40000/10 УХЛ1 для электролиза никеля
Предназначение:
Преобразовательные масляные трансформаторы, производства ЗАО «Энергомаш (Екатеринбург) - Уралэлектротяжмаш», применяются, в основном, на заводах по производству цветных металлов и других, подобных химических производствах. Так же используются в электрофизических установках, электродуговых печах, электрических приводах...Трансформаторы с РПН - Трансформер
22 мая, 2012
ЗАО «Трансформер» производит силовые масляные трансформаторы ТМН, ТМНС,
ТДН, ТДНС, ТРДН, ТРДНС с регулированием напряжения под нагрузкой (РПН) номинальной мощностью 1000 - 25 000 кВА и номинальным высшим напряжением 10, 20 и 35 кВ. Трансформаторы с РПН, имеющие систему принудительного охлаждения (принудительной циркуляции воздуха), маркируются как ТДН - трансформаторы...ТСЛЗ - Трансформер
20 мая, 2012
Данный тип трансформаторов в защитном кожухе разработан для использования на встроенных подстанциях, для него характерны уменьшенные габариты, низкий уровень шума и высокая устойчивость к сейсмическим воздействиям. Трансформаторы ТСЛЗ рассчитаны на уровень мощности 25-25000 кВА, класс напряжения – 6, 10, или 20 кВ.
Производитель – завод «Трансформер», г. Подольск.
Технические характеристики...ТМГ экономичные - Трансформер
20 мая, 2012
Экономичные трансформаторы ТМГ, производства ЗАО «Трансформер», с уменьшенными потерями позволяют экономить на электроэнергии до 20.000 рублей в год.
Цена трансформатора с уменьшенными потерями будет выше обычного примерно на 15-20%. Поэтому он будет давать экономию не сразу, а через 2-3 года. Но, устанавливая трансформатор на 25 лет, стоит подумать о долгосрочном вложении средств и сопоставить...ТМГ - Трансформер
20 мая, 2012
Масляные трансформаторы класса «Мегаполис», производства ЗАО «Трансформер», предназначены для установки на новых подстанциях или при реконструкции для увеличения мощности старых подстанций. Трансформаторы ТМГ отличает компактность и надежность конструкции. Из-за полной герметичности бака трансформатора, отсутствует контакт масла с внешней окружающей средой.
Возможно, стандартное исполнение,...ТСЛ - Трансформер
20 мая, 2012
Общая информация.
Данный тип трансформаторов разработан для использования на встроенных подстанциях, для него характерны уменьшенные габариты, низкий уровень шума и высокая устойчивость к сейсмическим воздействиям. Трансформаторы ТСЛ рассчитаны на уровень мощности 25-25000 кВА, класс напряжения – 6, 10, или 20 кВ.
Производитель – завод «Трансформер», г. Подольск.
Преимущества.
Компактные...ТРДН (ТРДНС, ТДН, ТДНС, ТМН, ТМ) АТЕF
24 апреля, 2012
Силовые трансформаторы ТРДН (ТРДНС, ТДН, ТДНС, ТМН, ТМ) АТЕF общего назначения, производимые Группой Компаний АТЕФ (Азербайджан), мощностью до 40 МВА, напряжением по стороне ВН - 35 кВ. Данные трансформаторы предназначены для преобразования и распределения электроэнергии в сетях энергосистем и различных потребителей.
Трансформаторы ТРДН (ТРДНC)-ATEF мощностью 25000-40000 кВА на напряжение...ТМП-ATEF
24 апреля, 2012
Трансформаторы ТМП-ATEF, масляные, преобразовательные, производства Группы Компаний АТЕФ (Азербайджан), мощностью 1000-6300 кВА на напряжение 6; 10 или 35 кВ. Преобразовательные силовые трансформаторы предназначены для эксплуатации во всех стационарных преобразователях с переменным напряжением сети.
Технические характеристики
Тип трансформатора
Ном.
мощность
кВА
Ном....ТМ-ATEF
23 апреля, 2012
Трансформаторы ТМ-ATEF с расширителями в гофрированном баке, производства Группы Компаний АТЕФ (Азербайджан), мощностью 25-2500 кВА на напряжение до 10 кВ. Используется система охлаждений типа "М" - естественная циркуляция.
Технические характеристики
Тип трансформатора
Ном.
мощность,
кВА
Напряжение,
кВ
Схема и группа соеди-
нения
Потери,...ТМГ-ATEF
23 апреля, 2012
Трансформаторы ТМГ-ATEF герметичные, без расширителя, производства Группы Компаний АТЕФ (Азербайджан), мощностью 25-2500 кВА на напряжение до 10 кВ
Трансформаторы силовые трёхфазные двухобмоточные предназначены для преобразования электроэнергии в сетях энергосистем и различных потребителей в районах с умеренным климатом, а также с влажными и сухими тропиками.
Технические характеристики
...ТС, ТСЗ - СВЭЛ
20 марта, 2012
«СВЭЛ - РосЭнергоТранс» предлагает сухие трансформаторы с литой изоляцией ТС, ТСЗ для различных областей применения:
Силовые распределительные трансформаторы общего назначения;
Трансформаторы для собственных нужд электростанций и других объектов;
Преобразовательные трансформаторы для питания электропривода постоянного тока в металлургической, буровой, нефтегазодобывающей и...GEAFOL
23 февраля, 2012
Трансформаторы с компаундной изоляцией GEAFOL® от Сименс, мощностью 100-40 000 кВА, предназначены для тех участков распределительных сетей, где преобразование напряжения производится в непосредственной близости от человека и должно гарантировать самую высокую степень безопасности. Поэтому они применяются прежде всего там, где компромиссы в вопросах надежности и безопасности невозможны: в высотных...ТСЛ, ТСЛЗ - ЭЛЕКТРОЩИТ
19 февраля, 2012
Трансформаторы ТСЛ (трансформатор сухого типа с литой изоляцией), производства ОАО "ЭЛЕКТРОЩИТ", применяются в сетях переменного электрического тока для преобразования электроэнергии или для обеспечения питания потребителей. Диапазон мощностей – от 400 до 2500 кВА, класс напряжения электросетей – 6, 10 кВ. Разрешается эксплуатация трансформаторов как внутри, так и снаружи помещений,...TM, TMГ - ЭЛЕКТРОЩИТ
19 февраля, 2012
Маслонаполненные трансформаторы ТМГ (силовой распределительный трансформатор, герметичный без расширителя) и ТМ (понижающий маслонаполненный трансформатор) ), производства ОАО "ЭЛЕКТРОЩИТ", применяются для понижения напряжения или обеспечения электропитания непосредственно потребителей, в трехфазных электрических сетях переменного тока, мощностью до 2500 кВА. Класс напряжения электрических...ТМ (ТМГ) - Электрощит - ТМ Самара
17 февраля, 2012
Силовой распределительный маслонаполненный трансформатор ТМГ (герметичный без расширителя) и ТМ, производства ЗАО "Группа компаний "Электрощит"-ТМ Самара", – понижающий трансформатор с мощностью в трёх фазах до 2500 кВА включительно, класса напряжения изоляции 6 и 10 кВ, с раздельными обмотками высокого и низкого напряжения, с напряжением распределительной сети до 1 кВ,...ТСЛ (ТСЛЗ) - Электрощит - ТМ Самара
17 февраля, 2012
Сухой распределительный трансформатор ТСЛ (ТСЛЗ - в защитном кожухе), производства ЗАО "Группа компаний "Электрощит"-ТМ Самара", – понижающий трансформатор с мощностью в трёх фазах от 250 до 2500 кВА включительно, класса напряжения изоляции 6 и 10 кВ, с раздельными обмотками высокого и низкого напряжения, с напряжением распределительной сети по низкой стороне до 1 кВ,...ТС-СЭЩ и ТСЗ-СЭЩ
9 февраля, 2012
ТС-СЭЩ и ТСЗ-СЭЩ - сухие распределительные трансформаторы, производства ЗАО "Группа компаний "Электрощит"-ТМ Самара", с номинальной мощностью от 250 до 1600 кВА, класса напряжения изоляции 10 кВ, с раздельными обмотками высокого и низкого напряжения, с напряжением распределительной сети по низкой стороне до 1 кВ, питающей непосредственных потребителей электроэнергии общего...ТСЛ, ТСЛЗ - Кентауский трансформаторный завод
7 февраля, 2012
Трехфазные сухие трансформаторы с литой изоляцией типа ТСЛ (без кожуха) и ТСЛЗ (с кожухом) мощностью 400-2500 кВА и класса напряжения 10 кВ, производства ОАО «Кентауский трансформаторный завод», предназначены для преобразования электрической энергии в электросетях трехфазного переменного тока частотой 50 Гц. Устанавливаются в промышленных помещениях и общественных зданиях к которым предъявляют...ТМЗ-250/10 - ТМЗ-2500/10 - Кентауский трансформаторный завод
4 февраля, 2012
Трансформатор трехфазный масляный герметичный серии ТМЗ мощностью 250-2500 кВА класса напряжения до 10 кВ, производства ОАО «Кентауский трансформаторный завод», понижающий с естественным масляным охлаждением, с ПБВ, включаемые в электрическую сеть переменного тока частотой 50 Гц, с азотной подушкой, предназначен для комплектных трансформаторных подстанций, изготавливаемых для нужд народного...ТМ 25/10 - ТМ 2500/10 - Кентауский трансформаторный завод
4 февраля, 2012
Трансформаторы трехфазные силовые серии ТМ (малонаполненные с расширителем), производства ОАО «Кентауский трансформаторный завод», общего назначения мощностью от 25 до 2500 кВА и номинальным напряжением 6 или 10 кВ, с ПБВ, включаемые в сеть переменного тока частотой 50 Гц, предназначены для передачи и распределения электроэнергии в условиях умеренного, холодного климата. Трансформаторы соответствуют...































































