ТРДНС-40000/220-У1 – Тольяттинский Трансформатор
Опубликовано: 3 Июнь 2011Трансформатор типа ТРДНС-40000/220-У1 силовой масляный трехфазный двухобмоточный с расщепленной обмоткой НН, с принудительной циркуляцией воздуха и естественной циркуляцией масла, с регулированием напряжения под нагрузкой предназначен для работы на электростанциях в качестве пускорезервного собственных нужд, а также на подстанциях энергосистем и промышленных предприятий.
Структура условного обозначения:
ТРДНС-40000/220-У1:
Т - трехфазный;
Р - с расщепленной обмоткой НН;
Д - с охлаждением принудительной циркуляцией воздуха и естественной циркуляцией масла;
Н - с регулированием напряжения под нагрузкой (РПН);
С - для собственных нужд электростанций;
40000 - номинальная мощность, кВ·А;
220 - класс напряжения обмотки ВН, кВ;
У1 - климатическое исполнение и категория размещения по ГОСТ
15150-69 и ГОСТ 15543.1-89.
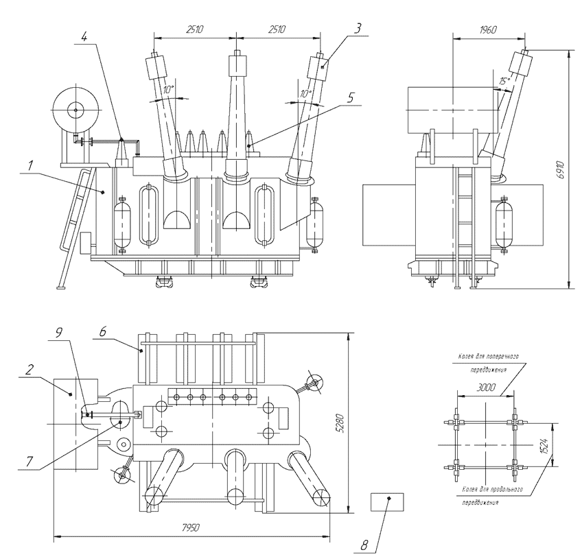
1. Бак трансформатора
2. Расширитель
З. Ввод ВН
4. Ввод 0 ВН
5. Ввод НН
6. Радиатор
7. Устройство РПН
8. Шкаф
9. Реле Бухгольца
|
Тип трансформатора, обозначение нормативного документа |
Номи- |
Номи- |
Схема и группа соеди- |
Потери, Вт |
Напря- |
Ток холос- |
Габа- |
||
|
ВН |
НН |
холо- |
корот- |
||||||
|
TPДНС-40000/220 -У1 ГОСТ 17544-85 |
40000 |
230 |
6,3-6,3; 6,6-6,6; 11,0-11,0; 11,0-6,6 |
Yh/D-D-11- 11 |
50,0 |
170,0 |
11,5 |
0,60 |
8100x 5250x 7100 |
|
Наименование |
Масса, кг |
|
Масло, подлежащее доливке |
6200 |
|
Транспортная с маслом |
83100 |
|
Полная масса масла |
27000 |
|
Полная масса |
98200 |
